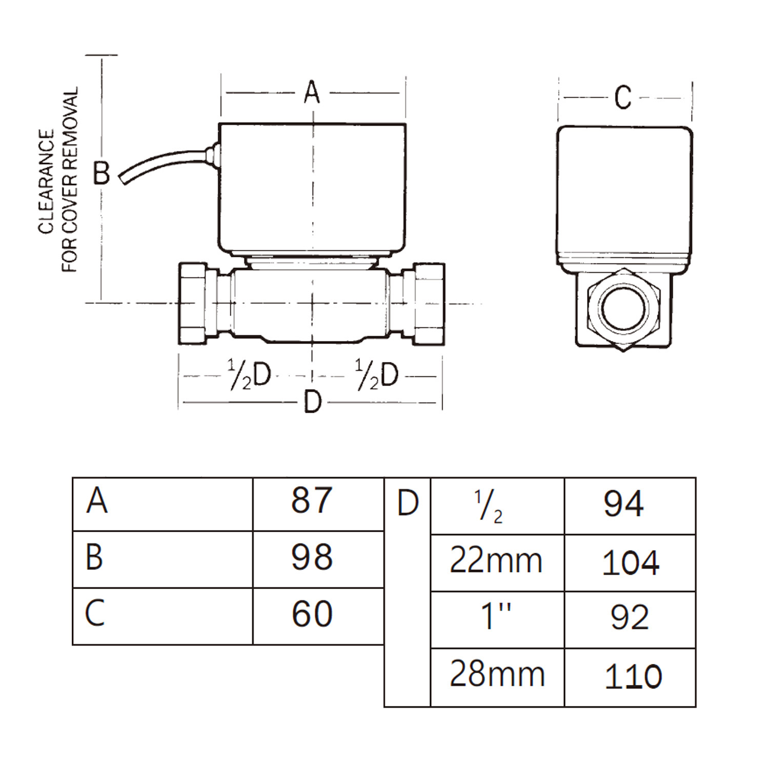
Twin Pack (x2) Motorized 2 port Zone Valve 28mm Normally Closed (MZV282) – Alternative to Honeywell V4043H 1106
This Motorized two port zone valve, 230 V AC, normally closed, with industry standard synchronous motor, has been designed to control the flow of water in iron and copper pipe systems.
It can be used as a ‘S’ plan valve.
Although specifically designed for small bore central heating systems, the valve can be used in commercial and industrial applications.
Motorized two port zone valve Features:
- 2 port Motorised Valve
- Normally closed
- Motor open
- Spring return action
- Manual lever for filling & draining the system
- Powerhead replaceable without draining down
- Quiet operation, minimal power consumption
Technical Specifications:
- Supply Voltage: 230 Volts AC 50Hz
- Power Consumption: 6W
- Fluid Temperature: +5°C to +88°C
- Max Ambient Temperature: 50°C
- Flow Direction: As per arrow on valve body
- Response Opening: 12 seconds
- Response Closing: 6 seconds
- Max. Static Pressure: 8.6 bar
WARNING! ALWAYS ISOLATE THE AC MAINS SUPPLY BEFORE REMOVING OR REFITTING THE ACTUATOR ASSEMBLY. THIS ACCESSORY MUST BE FITTED BY A COMPETENT PERSON, AND INSTALLATION MUST COMPLY WITH THE GUIDANCE PROVIDED IN THE CURRENT EDITIONS OF BS7671 (IEE WIRING REGULATIONS) AND PART ‘P’ OF THE BUILDING REGULATIONS.
Downloads































